当前所在位置:首页>产品中心>应变片>Y系列>LY9集成焊盘的应变片

LY9集成焊盘的应变片

所属品牌:HBM

产品型号:LY9

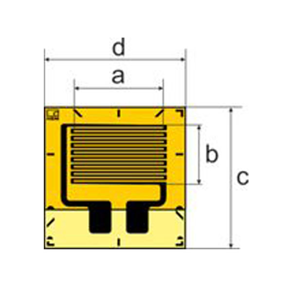
德国HBM LY9 集成焊盘的应变片,焊盘位于测量栅丝侧面,Y系列箔式应变计(SG)应用广泛,用于静态或动态应力分析。主要型号有1-LY9x-1.5/120_E、1-LY9x-6/120_E、1-LY9x-3/350_E等。

  • 商品描述
  • 商品询价热度

德国HBM LY9 集成焊盘的应变片

LY9 集成焊盘的应变片


德国HBM LY9 应变片各型号参数


订购号

额定电阻

尺寸 [mm/inch]

型号

测量栅丝

基底

[Ω]

a

b

c

d

1-LY9x-1.5/120_E

120

1.5

2

6.6

4.7


钢 (1) | 铝 (3) | 奥氏体钢 (5) | 石英玻璃 / 复合材料 (6) | 钛 (7) | 塑料 (8) | 钼 (9)
1-LY9x-3/120_E1203276.3
钢 (1) | 铝 (3) | 奥氏体钢 (5) | 石英玻璃 / 复合材料 (6) | 钛 (7) | 塑料 (8) | 钼 (9)
1-LY9x-6/120_E120649.59.5
钢 (1) | 铝 (3) | 奥氏体钢 (5) | 石英玻璃 / 复合材料 (6) | 钛 (7) | 塑料 (8) | 钼 (9)
1-LY9x-1.5/350_E3501.5
0.059
2
0.079
4.7
0.185
6.6
0.26
1
钢 (1) | 铝 (3) | 奥氏体钢 (5) | 石英玻璃 / 复合材料 (6) | 钛 (7) | 塑料 (8) | 钼 (9)

1-LY9x-3/350_E

350

3
0.118

2
0.079

7
0.248

6.3
0.276

1

钢 (1) | 铝 (3) | 奥氏体钢 (5) | 石英玻璃 / 复合材料 (6) | 钛 (7) | 塑料 (8) | 钼 (9)

1-LY9x-6/350_E

350

6
0.236

3.8
0.149

9.5
0.374

9.5
0.374

1

钢 (1) | 铝 (3) | 奥氏体钢 (5) | 石英玻璃 / 复合材料 (6) | 钛 (7) | 塑料 (8) | 钼 (9)

 


今日已有    0018    人询价

发送邮件

商品评价